免费定制方案 预约实地考察
- 粉体设备一站式服务
- 免费到厂参观
- 60秒级人工响应
- 24小时提交方案







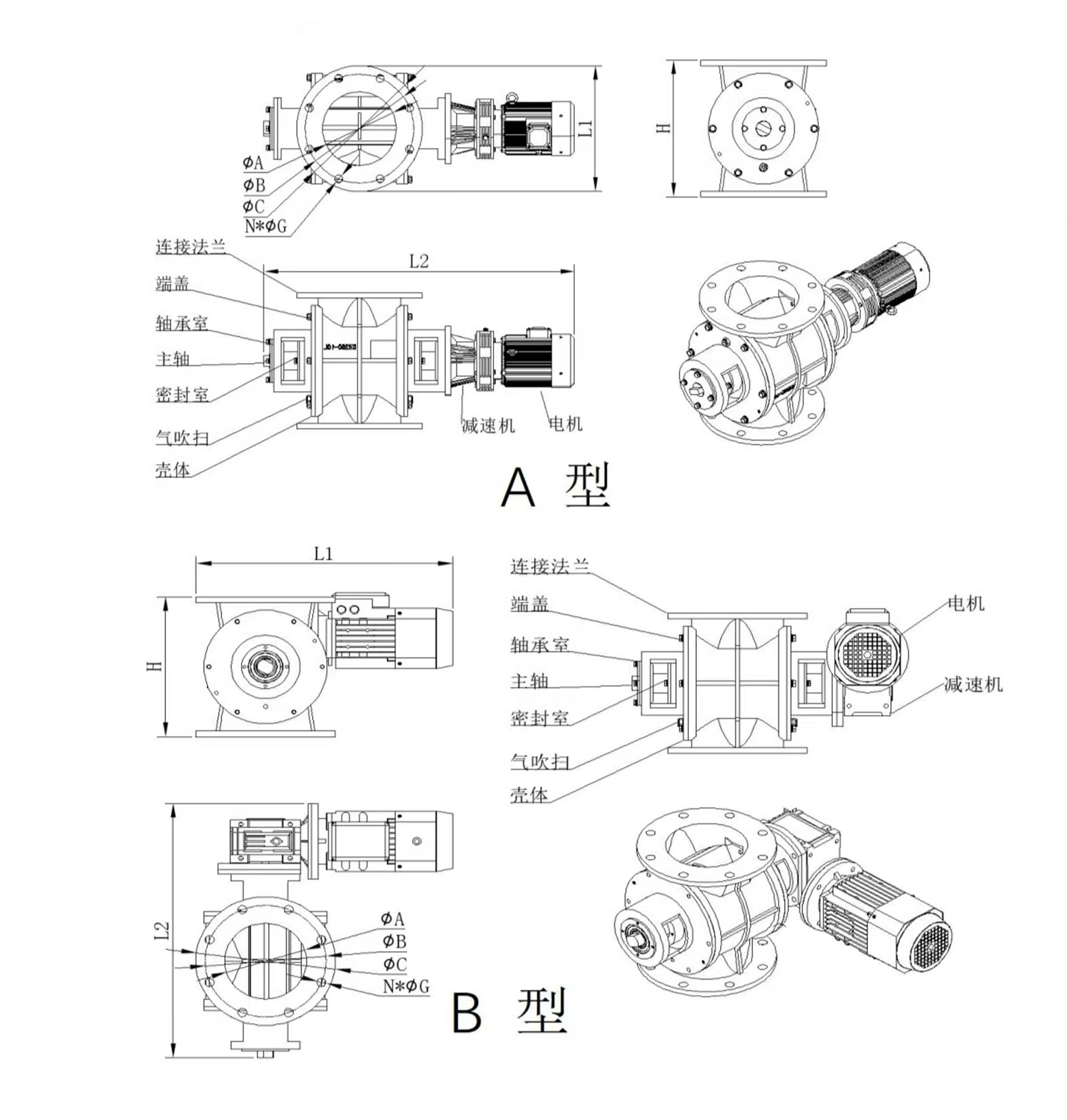
| 序号 | 型号 | 容积(升) | 处理能力(m³/h ) | 电机功率 | 安装尺寸(mm) | 转速(r/min) | 图号 | ||||||||
| ΦA | ΦB | ΦC | N*ΦG | H | L1 | L2 | |||||||||
| 1 | DN150标准型 | 2L | 1.5 | 0.75kw | 150 | 200 | 240 | 8*Φ12 | 245 | 240 | 930 | 35 | A | ||
| 2 | DN150大肚型 | 4L | 3 | 0.75kw | 150 | 240 | 285 | 8*Φ22 | 320 | 580 | 560 | 24 | B | ||
| 3 | DN200标准型 | 6L | 4.5 | 0.75kw | 200 | 260 | 302 | 8*Φ14 | 310 | 560 | 630 | 35 | A | ||
| 4 | DN200大肚型 | 8L | 6 | 1.5kw | 200 | 295 | 340 | 8*Φ22 | 370 | 680 | 650 | 24 | B | ||
| 5 | DN250标准型 | 10L | 7.5 | 1.5kw | 250 | 300 | 350 | 8*Φ14 | 360 | 360 | 680 | 35 | A | ||
| 6 | DN250大肚型 | 12L | 9 | 1.5kw | 250 | 350 | 395 | 12*Φ22 | 408 | 720 | 650 | 24 | B | ||
| 7 | DN300标准型 | 14L | 12 | 2.2kw | 300 | 400 | 445 | 12*Φ22 | 400 | 780 | 780 | 24 | B | ||
| 8 | DN300大肚型 | 16L | 18 | 3.0kw | 300 | 400 | 445 | 12*Φ22 | 480 | 820 | 890 | 24 | B | ||
注:L1和L2,因安装电机不同,以实际尺寸为准。
免费定制方案 预约实地考察
可按需定制,满足您行业的特别需求和标准
01
了解需求02
确定需求03
签订合同04
如期生产05
配送安装06
售后服务可按需定制,满足您行业的特别需求和标准










实力品牌
丰富的行业经验服务保障
提供完善的售前售后服务经验丰富
服务客户量超过1000家售后无忧
24小时一对一服务15836141199
扫一扫 关注我们
官方抖音